川土微电子CA-IS2062A 超小型化、内置DC-DC转换器的2.5kVRMS隔离式CAN收发器新品发布!
01产品概述
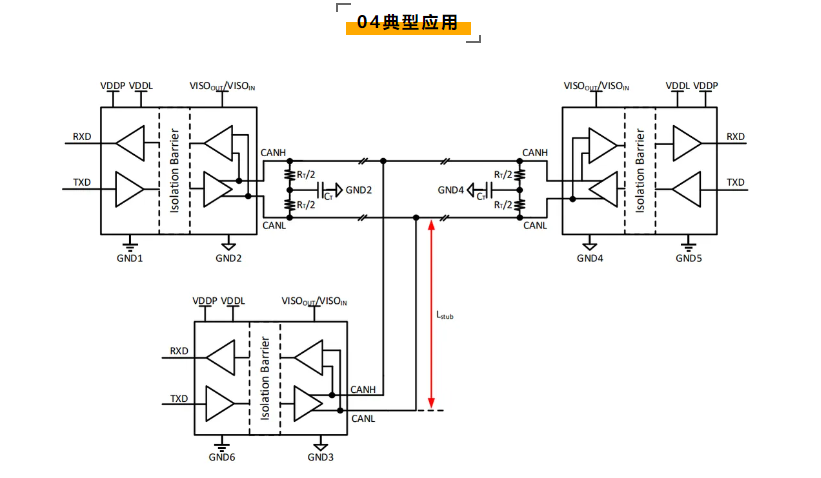
CA-IS2062A 是一款隔离式控制器局域网(CAN)收发器, 内部集成 DC-DC 转换器,省去了外部隔离电源,有效节省系统空间和简化设计。该器件提供较高的电气隔离等级并具有优异的性能,可以满足工业应用的需求。器件内部的逻辑输入与输出缓冲器之间通过二氧化硅(SiO2) 绝缘栅隔离,能够承受高达 2.5kVRMS(1 分钟)的隔离电压以及±150kV/μs 的典型共模瞬态抗扰度。绝缘栅阻断了逻辑侧与总线侧的地环路,有助于降低端口间地电势差较高的噪声,确保数据的正确传输。
CA-IS2062A 逻辑侧的 DC-DC 转换器电源 VDDP 采用+5V 单电源供电,逻辑电源 VDDL 支持 2.5V 到 5.5V 供电范围,VDDL 和 VDDP 分开可以使用不同电压供电,方便和低压控制电路的信号交互。若 VDDL 使用 5V 电源供电,可以直接和 VDDP 共用一个外部电源。器件的总线侧 VISOOUT由内部 DC-DC 转换器产生 5V 输出电压,为总线侧 CAN 收发器电源 VISOIN 供电,应用中需要把 VISOOUT 和 VISOIN直接短接。
CA-IS2062A 的 CAN 收发器支持高达 5Mbps 的传输速率 (CAN FD),并在总线端口(CANH/CANL)提供限流保 护、热关断保护以及高达±42V 的故障电压保护,驱动器显性超时保护则可避免由于控制器错误或 TXD 输入故 障而导致的总线闭锁。此外,该器件的 CAN 接收器输 入具有±30V 的共模输入范围(CMR),远远超出 ISO 11898-2 规范定义的 –2V 至 +7V 的范围,支持可靠的数据通信。
02产品特性
• 符合 ISO 11898-2:2016 物理层标准 • 支持高达 1Mbps 经典 CAN 和 5Mbps 的 CAN FD (灵活数据速率) • 集成 DC-DC 转换器,为总线侧提供 5V 隔离供电 • 集成保护功能支持可靠的数据通信 - 总线故障保护电压范围:±42V - 总线共模输入电压范围:±30V - 驱动器显性超时保护避免总线闭锁,允许最低 传输速率为 4.4kbps - 热关断保护和总线端口限流保护 - 未上电时总线引脚为高阻态,理想无源特性 - VDDP 和 VDDL 电源欠压保护 • 逻辑侧电源 VDDL 支持 2.5V 到 5.5V 供电范围 • 扩展工业工作温度范围:–40°C 至 125°C • 高共模瞬态抗扰度:±150kV/μs(典型值) • 低环路延时:165ns(典型值),255ns(最大值) • LGA16 超紧凑型封装 • 额定工作电压下隔离栅寿命>40 年 • 提供 2.5kVRMS(1 分钟)的隔离耐压等级


目前,川土微电子超小型化三合一系列产品已量产:CA-IS2092A 低EMI带隔离电源的隔离RS-485/RS-422、CA-IS2631HA 带隔离电源的超小型数字隔离器。该系列产品具有以下核心优势:
1)高集成度,三合一集成;
2)超小型化封装,外形4.65mmx5.20mm,超薄,厚度仅1mm;
3)高转换效率;
4)高性价比,成本与分立方案相当,彻底颠覆现有复杂的分立方案。
