01产品概述
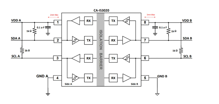
CA-IS3020WG为完备的双向、双通道数字隔离器,可提供7.5kVRMS电气隔离,以及高达±150kV/μs的典型CMTI。所有器件的输入采用施密特触发器,提高抗干扰能力。每个隔离通道的数字输入与输出通过二氧化硅(SiO2)绝缘层隔离,提供较高的电磁干扰抑制和低EMI特性。高集成度设计仅需两个外部VDDA、VDDB旁路电容和上拉电阻,即可构成I2C隔离接口。
CA-IS3020WG可支持DC至2.0MHz传输速率,提供两路双向、开漏输出隔离通道,用于支持多主机I2C等需要在同一总线双向传输数据或时钟的双向隔离应用。器件A侧(VDDA)、B侧(VDDB)单独供电,供电电压范围为3.0V至5.5V。
CA-IS3020WG可工作在-40°C至+125°C温度范围,采用8引脚超宽体SOIC封装。由于较宽的工作温度范围和较高的隔离耐压,该系列器件适用于强干扰的工业环境。
02产品特性
• 支持DC 至 2.0MHz双向数据传输 • 可靠的数字信号电气隔离 - 较长的工作寿命: > 40年 - 提供7.5kVRMS(超宽体SOIC)电气隔离 - ±150kV/μs典型CMTI - 施密特触发输入提高抗干扰能力 - 较高的电磁抑制,可承受最高±12.8kV浪涌 - ±8kV ESD保护(人体模式) • 开漏输出: - A侧可支持最高3.5mA灌电流 - B侧可支持最高35mA灌电流 • 3.0V至5.5V宽压工作范围 • 较宽的工作温度范围:-40°C to 125°C • 提供超宽体SOIC8-WWB (WG)封装 03封装对比


04应用领域
• I2C, SMBus, PMBus™ 接口
• 电机控制系统
• 医疗设备
• 电池管理系统
• 仪器仪表
05典型应用

川土微电子CA-IS302X低功耗双向隔离I2C接口提供丰富的封装选型,包括窄体SOIC8、宽体SOIC8、宽体SOIC16以及本次推出的超宽体SOIC8,能够充分满足客户的应用需求,有效订购型号如下表所示:

截至目前,川土微电子超宽体系列已量产CA-IS38XX双通道、三通道及四通道增强绝缘数字隔离器,本次推出的超宽体隔离I2C接口可提供送样,更多超宽体系列产品,敬请期待!
